電子カタログ

「ミリ波レーダ式レベル計MWー20/21/溢水対策用レベル計RPLー10|電子応用設備|東京計器株式会社」のメーカーへの問い合わせはこちらから

ミリ波レーダ式レベル計MWー20/21/溢水対策用レベル計RPLー10|電子応用設備|東京計器株式会社

ミリ波レーダ式レベル計MWー20/21
ミリ波レーダ式レベル計
MWー20/21
溢水対策用レベル計RPLー10
溢水対策用レベル計
RPLー10

 

ミリ波レーダ式レベル計 MWー20/21(NETIS登録番号:KT-240154-A)上下水道DX技術カタログ掲載

河川などの水位を79GHzミリ波で計測するレーダレベル計である。
最大100mの長距離計測が可能で、圧力式水位計などに匹敵する計測距離を実現した。
 
従来の電波レベル計では計測できなかった20m超のダムの水位や、50mを超える集水孔などにも非接触での長距離計測が可能。
さらにフリュームなどの狭い計測空間でも周囲の障害物による影響を受けにくく、安定的な計測が可能である。
用途に応じ、30m、50m、100mモデルの3種類をラインアップしている。
 

特長
  1. 狭小空間への設置が可能
    ・測定精度は±2㎜、ビーム幅3°※。
    ・小型・軽量のため、簡単に設置が可能。
  2. 低消費電力、高速起動
    ・最短5秒の高速起動で、ソーラーパネルを使用した 独立電源システムの間欠動作に対応。
  3. 電波法適合品(特定小電力無線局)
    ・屋外開放空間をはじめ、あらゆる場所で使用が可能 。
  4. 運用を支える連携・演算機能
    ・レベル計とスマートフォンをBluetooth®接続し、機器の設定と計測値の確認ができる。
    ・JISに適合した堰やパーシャルフリューム、ユーザー設定したテーブルで流量演算が可能。
    ※測定距離、モデルにより異なる
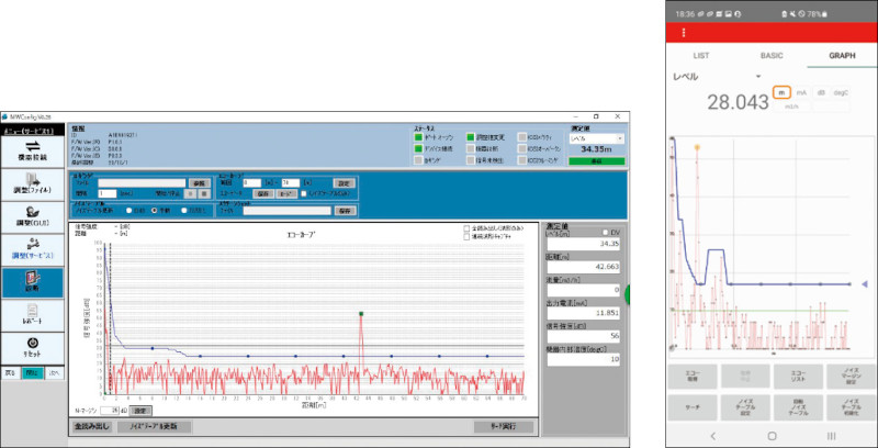
画面表示(左:PC画面、右:スマートフォン画面)
画面表示(左:PC画面、右:スマートフォン画面)

 
 

溢水対策用レベル計 RPLー10(NETIS登録番号:KT-240114-A)

電波式レベル計と圧力式レベル計を組み合わせたハイブリッド方式により,マンホール内の水位を測定する溢水対策用レベル計である。
 
従来のレベル計では対応が困難であった狭い作業空間での正確な計測が可能である。
豪雨時の内水氾濫監視に特化した設計で、氾濫被害の軽減に向けた防災対策の支援を可能にする。
 

特長
  1. ハイブリッド方式によるレベル測定
    ・通常の水位計測は電波レベル計で行い、電波レベル 計の計測範囲を超える水位に達すると圧力センサーでの計測に自動的に切り替わる。
    低水位から満水、溢水状態までの連続的な水位計測が可能。
  2. 維持管理性の向上
    ・圧力式には大気圧補正管不要の絶対圧式を採用してい るため、結露などによる故障がない。
    また、圧力式、電波式ともにIPX8構造である。
  3. ・通常水位より上に設置するため、堆積物がレベル計にほとんど付着せず、メンテナンスが容易である。

  4. 優れた施工性
    ・水中施工が不要のため、設置作業の安全性が高い。
 

この電子カタログで紹介している製品

MW-20/21|東京計器株式会社
新規性 ダム水位まで対応する最大計測距離100mと、最小照射角3°によりフリューム等の測定も可能なレベル計である。
適用範囲 計測範囲30mモデル:0.17~30m、50mモデル:1~50m、100mモデル:1~100m周囲温度/湿度-20℃~+60℃/95%RH以下(結露なきこと)
RPL-10|東京計器株式会社
新規性 水位に応じて電波式と圧力式センサを自動切替し、ゼロ水位から溢水位まで連続計測可能である。平時水位より上に設置でき、堆積物や結露の影響を排除し、故障リスクを低減、メンテナンス負担も軽減可能である。
施工性・工期短縮 平常時水位より上に設置できるため水中施工が不要であるため、設置作業が簡易で施工時の効率性の向上が図れる。
特許、審査証明など 特許第6781590号
適用範囲 適用水路径R200mm(φ400mm)以上最大計測水位18m以内(電波式:10m、圧力式:8m)圧力式センサが平常時の水位上に設置できる場所

「ミリ波レーダ式レベル計MWー20/21/溢水対策用レベル計RPLー10|電子応用設備|東京計器株式会社」のメーカーへの問い合わせはこちらから

東京計器株式会社 メーカーの製品一覧 >

住所 〒 144-8551 東京都大田区南蒲田2-16-46 TEL 03-3737-8621 FAX 03-3737-8665
HP https://www.tokyokeiki.jp/

東京計器株式会社 | 東京計器株式会社の他のカタログ

超音波流向・流速計 UDー10S/UDー10L|水文調査|東京計器株式会社

「ミリ波レーダ式レベル計MWー20/21/溢水対策用レベル計RPLー10|電子応用設備|東京計器株式会社」

「電気通信設備」の新着電子カタログ

TOP